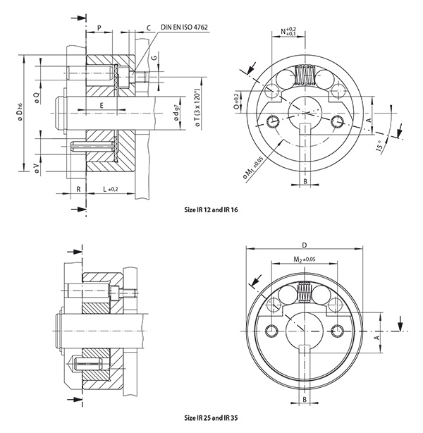
Kuormituksen vääntömomentin rajoitin

Contact us

Ruotsi


 



RINGSPANN Nordic AB

Industrigatan 10A

619 33 Trosa

Ruotsi



+49 6172 275 170

 

info@ringspann.se

 

www.ringspann.se

*

 

 

* *

 

*

 

 

*

250 / 250 characters

 

Hyväksyn yksityisyydensuojan *

By accepting the box you agree to receive information about our company and our news (products, catalogs ...).


 I am not a robot

 


* The fields marked with a star are required fields.